展位的搭建是為了成功舉辦展會,也可以讓公司的形象為客戶所知,展臺設計的多樣性也暴露了展臺搭建過程中的各種安全問題,各展館和辦展機構對展位建設的要求越來越嚴格,展臺搭建中材料要求有哪些?
展臺搭建高度
1、展臺高度
展臺單層搭建的高度要求一般為4~6m(其中超過4~4.5m的展位需要專業的機構進行展位結構審核),雙層為6~8.5,多數都是6m(所有雙層必須經過專業的審核機構進行安全結構測算),其垂直投影不得超出自己的展位范圍。審核機構要求:圖紙加蓋具有國家建筑設計資質或國家一級注冊結構工程師的印章及審核報告,有些展會需主辦方指定的機構審圖。
2、阻燃性能
展臺搭建材料的阻燃性能等級不得低于 B1 級(難燃型),不得大面積使用草、紙、樹皮、可燃性塑料板、彈力布、網眼布等易燃材料,對于少量局部使用的可燃材料應當進行防火處理,達到 B1 級要求后方可使用。布展/展會/撤展期間地面鋪設的地毯阻燃性能等級不得低于 B1 級(難燃型)。
展臺阻燃性能
3、二層結構
對于有天花或者搭建二層的展位,整個二層的搭建面積不得超過整個展位的一半(具體要求見相應展會的展商手冊),封頂面積不得大于展位的三分之一,并配備相應數量的滅火器,建議每15平米安裝一個懸掛式滅火器。
4、展墻厚度
為了確保展位墻體的搭建,展墻與地面的接觸面積也就是展板的厚度不得小于10cm,其中無其他連接結構的獨立板墻不得小于40cm厚。
5、楣板結構
對于有楣板結構的展位,整個頂部的結構不得超過6m跨度,桁架結構不得超過10m跨度,頂部有橫梁連接的結構,連接部位必須采用鋼結構進行連接;楣板支撐結構必須是鋼結構立柱或立柱以上強度的支撐材料,鋼結構立柱應使用直徑 100mm 以上的無縫鋼管,底部焊接底盤,上部焊接法蘭盤以增加連接點接觸面 積,以保證展臺結構的牢固性。
展臺結構
6、玻璃材料
使用玻璃材料裝飾展臺,必須采用鋼化玻璃,要保證玻璃的強度、厚度(幕墻玻璃厚度不小于 8mm), 玻璃的安裝方式應合理、可靠,必須制作金屬框架或采用專業五金件進行玻璃安裝,框架及五金件與玻璃材料之間要使用彈性材料做墊層,確保玻璃使用安全。大面積玻璃材料應粘貼明顯標識,以防破 碎傷人。
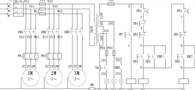
7、電、燃氣設備
電氣設備、線路和燃氣設備、管道的敷設應由具業人員負責安裝和維修;進行電焊等具有火災危險須持證上崗并嚴格遵守消防安全操作規程。展館內嚴禁使用噴漆、電焊及電鋸。展館在布展/展會/撤展期間嚴禁煙火和動用明火;對于必須使用明火設備的展位,施工單位應嚴格執行內部動火審批制度,落實動火措施。在動用電焊的作業現場,應清除周圍及焊渣物,并設專人監督,禁止在運行中的管道和裝有易的容器進行焊接和切割,在作業后現場負責人應檢留火種及未燒盡的物品。
電氣線路圖
8、電氣線路
電氣線路應采用阻燃型電纜和絕緣護套電線;電線支路連接時,不應采用絕緣膠布直接包扎,應采用絕緣瓷、塑接頭連接,并做好絕緣保護措施;電氣線路的敷設應當架空固定布置,沿地鋪設的電氣線路應穿管保護或鋪設過橋保護。電氣線路的敷設應當架空固定布置,沿地鋪設的電氣線路應穿管保護或鋪設過橋保護,電氣線路的布線應當采用護套絕緣導線,導線之間應用瓷夾連接,不得直接連接。
展臺搭建的安全性直接影響著參展商,相應的硬件設備和服務設備是保證觀眾良好觀展體驗的必要條件。一場成功的展會,不僅需要專業的組展公司,還需要專業的布展團隊。
本文節選來源網絡,僅供參考,具體數據以主辦方單位提供的要求為準。

企業參展的最終目的是希望低成本達到宣傳的目的,不僅僅希望在展會上給參觀者留下印象,更多的能夠吸引潛在客戶,促成銷售,但是企業在各大知名展館參展,做好展廳設計搭建,最后呈現的效果還是有點差異,畢竟想要在大型展館中脫穎而出,那么企業展館展廳設計有哪些基本原則?遵循這些原則是否讓展廳設計完美呈現效果。

隨著展會的發展,越來越多的企業選擇參加展會來擴大影響力并了解市場行情,企業如果參加展會,首選考慮的問題就是參加什么樣的展會,在哪里參加?那么針對如何選展會,有以下因素要考慮。

在展會的海洋中,一個展臺如何能夠吸引眾多目光,成為焦點?答案可能就藏在那一束束精心設計的燈光之中。照明設計,這個看似簡單的環節,實則是讓您的展臺在展會中脫穎而出的關鍵。本文將帶您了解照明設計如何讓您的展臺熠熠生輝,成為展會中最耀眼的明星。

展臺設計的重點在于設計的方案和設計的執行,所以評價好的展臺設計公司會優先管控設計的設施,會以大數據為基礎導入設計的要求來為后續的執行保駕護航,那么市場認可度高的展臺設計公司是如何更好的為設計的品質保障保駕護航的?下面就展臺設計公司如何保質保量的進行設計做簡要簡述:

在市場貿易發展中,會展等交流展示形式被大量使用,并且在會展交流中也融入了更多的視覺設計理念,使會展以及不僅僅是商品貿易營銷的場所,更是一個進行各種商品以及理念溝通、展示的平臺。在展會設計布局當中,視覺傳達設計技術以及理念被大量的運用,有效的強化了會展空間的設計質量。

展臺設計是一項重要的營銷手段,它能夠有效提升企業的品牌形象和產品吸引力。如今,越來越多的企業開始關注展臺設計,并投入一定的資金。但是很多企業一開始的預算只有10萬,那么如何利用這10萬元做出更高效的展臺設計?本文簡單介紹下,僅供參考:

在展覽行業中,展臺是企業與潛在客戶進行互動的第一線。一個高識別度的展臺設計不僅能夠吸引觀眾的目光,還能有效傳達品牌信息,增強品牌影響力。本文將探討如何通過展臺設計策略,打造具有強烈品牌識別度的展示空間。

參展對于企業來說不僅僅是最大限度的擴大影響力,同時能夠接觸到大量潛在客戶,在展會上,展臺的形象可以說是一個企業的名片。那么,要想讓展臺更有吸引力,展臺的選擇首先是關鍵,其次才是展臺的設計和裝修。對于專業的展臺設計公司而言,展臺設計技巧有哪些?

展臺內部的功能劃分清晰,設有接待區、展示區、休息區和VIP洽談區,接待區位于展廳的前部,負責迎接來訪的客戶和參觀者;展示區則用于展示產品和技術;休息區提供了舒適的環境,供參觀者放松和交流;VIP洽談區則為商務洽談提供私密空間,這種明確的功能劃分,不僅優化了空間的使用效率,也提升了參觀者的整體體驗。